
Guanajuato, Gto., a 12 de mayo de 2023.- Para ofrecer una solución al manejo de llantas en desuso, así como un material que puede brindar mayor resistencia y durabilidad a las vías asfálticas, particularmente en el estado de Guanajuato, la Dra. Lorena Eugenia Sánchez Cadena, en colaboración con el Dr. Zeferino Gamiño Arroyo, desarrolló la patente: Proceso de Solvólisis de Viruta de Llanta.
La Dra. Sánchez Cadena es profesora investigadora en la División de Ingenierías dentro del Departamento de Ingeniería Civil y Ambiental de la Universidad de Guanajuato (UG) y desarrolló su patente con el Dr. Zeferino Gamiño, profesor investigador de la División de Ciencias Naturales y Exactas, a partir de la idea de brindar una alternativa de solución a la problemática que representa el manejo y destino de las llantas.
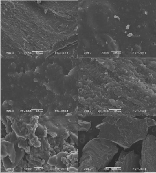
Una vez elegido el tema, investigó patentes previas para el tratamiento de las llantas, además del análisis de solventes, hasta que encontró una metodología con la cual podía cambiar la superficie, o la viruta de las propias llantas.
La Dra. Sánchez explicó que con su método lograron crear un aditivo muy útil para el asfalto, comentó que observaron con gran sorpresa y gusto, que al meter viruta de llanta en cierta proporción a las mezclas asfálticas, siguiendo la prueba Marshall, se logró una resistencia mayor. Dicha prueba se usa para medir la cantidad de kilonewtons que puede resistir el asfalto antes de fracturarse, dando su mezcla, resultados sobresalientes.
Una característica que se agrega con su método en particular es que incluso llega a reducir el ruido generado por los automóviles que transitan sobre el asfalto, problemática que llega a ser verdaderamente considerable en grandes ciudades donde hay vías de tres o cuatro carriles, de ida y vuelta.
Otra propiedad de su mezcla que debían cuidar y que se cumple a cabalidad, es la de la cantidad de intersticios, o pequeños espacios que se generan, sobre todo por el agua que puede llegar a colarse, ya que no debe ser excesivamente impermeable, ni tampoco dejar pasar demasiados líquidos ya que terminaría por remover el material. Sin embargo, tras las pruebas, se vio que cumple los parámetros de la Secretaría de Comunicaciones y Transportes pide en sus carreteras.
Además, mediante unas pruebas realizadas en la Universidad Nacional Autónoma de México (UNAM) en la que someten a situaciones extremas al material, pudieron darse cuenta de que el clima seco, como el de Guanajuato, es donde se desempeña de mejor manera, ya que en otros climas, como el excesivamente húmedos o fríos, pierde algunas propiedades.
En cuanto al costo de la nueva mezcla, la Dra. aseguró que, si bien no han hecho un estudio específico para determinarlo, considera que se trabaja con materiales muy baratos. La propia viruta que es un desecho (se vende a cinco pesos el kilo), además de que no se requieren grandes cantidades de la misma por tonelada de asfalto, además los otros solventes necesarios son igualmente de bajo costo y no requieren de altas temperaturas o condiciones extremas para ser mezclados.
Este proceso también es mucho más amable con el medio ambiente que otros similares, ya que los vapores que desprenden, se condensan y regresan al líquido, además de que la cantidad de energía necesaria es mucho menor.
“Este proyecto es interesante porque estamos dándole un segundo uso que abandonada en un tiradero iba a generar dengue, ratas, que cuando se queman las llantas generan muchos compuestos como el benceno, que es cancerígeno, por lo que pone en riesgo a quienes trabajan o viven alrededor de los tiraderos y respira estos vapores”, compartió la académica de la UG..
Otra ventaja es que, si se hace la mezcla correctamente, tendrá la posibilidad de ser más duradero, y evitar que aparezcan baches con mayor facilidad. Además, gracias a las propiedades de los elastómeros presentes en la mezcla que permiten una mejor elasticidad, puede resistir el paso de camiones de carga.
Finalmente, la Dra. Lorena Sánchez comentó que esta patente ha significado una gran satisfacción, porque: “Lo que yo fui a aprender allá (en un doctorado en la Escuela Central de París) ahora lo traigo a México, a mi estado”, ya que para ella es importante el desarrollo de nuevas soluciones a diversos problemas, los cuales requieren de un trabajo multidisciplinario, de profesionales de diferentes áreas.